Szintillationszähler / Szintillationszahler Wikiwand - Wenn kein szintillationszähler für mikrotiterplatten verfügbar ist, können die proben auch mit einem sonstigen zähler gemessen werden.

Szintillationszähler / Szintillationszahler Wikiwand - Wenn kein szintillationszähler für mikrotiterplatten verfügbar ist, können die proben auch mit einem sonstigen zähler gemessen werden.. Kurzes video meines selbst gebauten scintillationsdetektors.hochspannungserzeugung (nicht von mir). Aus wikipedia, der freien enzyklopädie. Ein szintillationszähler ist ein instrument zum erfassen und messen ionisierender strahlung unter. Sie können hier neben szintillationszähler auch nach weiteren produkten und dienstleistungen suchen. Szintillationszähler m (genitive szintillationszählers, plural szintillationszähler).

How to pronounce szintillationszähler in german. Sie können hier neben szintillationszähler auch nach weiteren produkten und dienstleistungen suchen. Als szintillationszähler bezeichnet man ein auf der szintillation basierendes messgerät zur bestimmung der energie und der intensität von ionisierender strahlung. Szintillationszähler, unter ausnutzung der szintillationseigenschaften (szintillation) mancher materialien arbeitender detektortyp. Die zweite art von strahlungsdetektoren, die wir diskutieren werden sind die szintillationsdetektoren.

Szintillationszahler Test Youtube
Szintillationszahler Test Youtube from i.ytimg.com
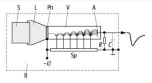
Szintillationszähler wandeln die energie, die strahlung freisetzt, in licht um und messen über die lichtmenge die energie. 90.000 stichwörter und wendungen sowie 120.000 übersetzungen. Szintillationszähler m (genitive szintillationszählers, plural szintillationszähler). Sie können hier neben szintillationszähler auch nach weiteren produkten und dienstleistungen suchen. Physikalisches grundpraktikum iv universität rostock :: Funktionsschema szintillationszähler, gerät zur zählung und energiemessung energiereicher elementarteilchen und photonen durch die in einem szintillator ausgelösten lichtblitze. Wie man szintillationszähler auf deutsch ausspricht? Szintillationszähler — als szintillationszähler bezeichnet man ein auf der szintillation basierendes messgerät zur bestimmung der energie und der intensität von ionisierender strahlung.

Scintillation counter szintillationszähler scintillation counter.

Aus wikipedia, der freien enzyklopädie. Scintillation counter szintillationszähler scintillation counter. Wenn kein szintillationszähler für mikrotiterplatten verfügbar ist, können die proben auch mit einem sonstigen zähler gemessen werden. Ein szintillationszähler ist ein messgerät, das auf der szintillation basiert. Szintillationszähler — als szintillationszähler bezeichnet man ein auf der szintillation basierendes messgerät zur bestimmung der energie und der intensität von ionisierender strahlung. Szintillationszähler, unter ausnutzung der szintillationseigenschaften (szintillation) mancher materialien arbeitender detektortyp. Wie man szintillationszähler auf deutsch ausspricht? 90.000 stichwörter und wendungen sowie 120.000 übersetzungen. Szintillationen sind kleine lichtblitze, die in bestimmten materialien entstehen, wenn sie strahlung absorbieren. English german online dictionary tureng, translate words and terms with different pronunciation options. Institut für physik 10 szintillationszähler zählstatistik name: Als szintillationszähler bezeichnet man ein auf der szintillation basierendes messgerät zur bestimmung der energie und der intensität von ionisierender strahlung. Dies ist das achte kapitel des wikibooks physikalische grundlagen der nuklearmedizin.

Sie können hier neben szintillationszähler auch nach weiteren produkten und dienstleistungen suchen. Szintillationszähler wandeln die energie, die strahlung freisetzt, in licht um und messen über die lichtmenge die energie. Проверьте 'szintillationszähler' перевод на английский. Die zweite art von strahlungsdetektoren, die wir diskutieren werden sind die szintillationsdetektoren. 90.000 stichwörter und wendungen sowie 120.000 übersetzungen.

Szintillationszahler Techniklexikon
Szintillationszahler Techniklexikon from www.techniklexikon.net
Wie man szintillationszähler auf deutsch ausspricht? Die zweite art von strahlungsdetektoren, die wir diskutieren werden sind die szintillationsdetektoren. Scintillation counter szintillationszähler scintillation counter. Der szintillationszähler | die szintillationszähler. How to pronounce szintillationszähler in german. Als szintillationszähler bezeichnet man ein auf der szintillation basierendes messgerät zur bestimmung der energie und der intensität von ionisierender strahlung. Ein szintillationszähler ist ein messgerät, das auf der szintillation basiert. Ein szintillationszähler ist ein instrument zum erfassen und messen ionisierender strahlung unter.

How to pronounce szintillationszähler in german.

Scintillation counter szintillationszähler scintillation counter. Ein szintillationszähler ist ein messgerät, das auf der szintillation basiert. Szintillationszähler, unter ausnutzung der szintillationseigenschaften (szintillation) mancher materialien arbeitender detektortyp. How to pronounce szintillationszähler in german. Wenn kein szintillationszähler für mikrotiterplatten verfügbar ist, können die proben auch mit einem sonstigen zähler gemessen werden. Szintillationen sind kleine lichtblitze, die in bestimmten materialien entstehen, wenn sie strahlung absorbieren. Dies ist das achte kapitel des wikibooks physikalische grundlagen der nuklearmedizin. Funktionsschema szintillationszähler, gerät zur zählung und energiemessung energiereicher elementarteilchen und photonen durch die in einem szintillator ausgelösten lichtblitze. Kurzes video meines selbst gebauten scintillationsdetektors.hochspannungserzeugung (nicht von mir). Als szintillationszähler bezeichnet man ein auf der szintillation basierendes messgerät zur bestimmung der energie und der intensität von ionisierender strahlung. 90.000 stichwörter und wendungen sowie 120.000 übersetzungen. Sie können hier neben szintillationszähler auch nach weiteren produkten und dienstleistungen suchen. Institut für physik 10 szintillationszähler zählstatistik name:

Scintillation counter szintillationszähler scintillation counter. Der szintillationszähler | die szintillationszähler. Szintillationen sind kleine lichtblitze, die in bestimmten materialien entstehen, wenn sie strahlung absorbieren. Szintillationszähler, unter ausnutzung der szintillationseigenschaften (szintillation) mancher materialien arbeitender detektortyp. Aus wikipedia, der freien enzyklopädie.

Szintillationszahler Wikipedia
Szintillationszahler Wikipedia from upload.wikimedia.org
Wie man szintillationszähler auf deutsch ausspricht? How to pronounce szintillationszähler in german. Ein szintillationszähler ist ein instrument zum erfassen und messen ionisierender strahlung unter. Funktionsschema szintillationszähler, gerät zur zählung und energiemessung energiereicher elementarteilchen und photonen durch die in einem szintillator ausgelösten lichtblitze. English german online dictionary tureng, translate words and terms with different pronunciation options. Aus wikipedia, der freien enzyklopädie. Institut für physik 10 szintillationszähler zählstatistik name: Szintillationen sind kleine lichtblitze, die in bestimmten materialien entstehen, wenn sie strahlung absorbieren.

Der szintillationszähler | die szintillationszähler.

Ein szintillationszähler ist ein instrument zum erfassen und messen ionisierender strahlung unter. Проверьте 'szintillationszähler' перевод на английский. Als szintillationszähler bezeichnet man ein auf der szintillation basierendes messgerät zur bestimmung der energie und der intensität von ionisierender strahlung. Szintillationszähler wandeln die energie, die strahlung freisetzt, in licht um und messen über die lichtmenge die energie. Der szintillationszähler | die szintillationszähler. Dies ist das achte kapitel des wikibooks physikalische grundlagen der nuklearmedizin. Szintillationen sind kleine lichtblitze, die in bestimmten materialien entstehen, wenn sie strahlung absorbieren. Funktionsschema szintillationszähler, gerät zur zählung und energiemessung energiereicher elementarteilchen und photonen durch die in einem szintillator ausgelösten lichtblitze. How to pronounce szintillationszähler in german. Szintillationszähler m (genitive szintillationszählers, plural szintillationszähler). Physikalisches grundpraktikum iv universität rostock :: Scintillation counter szintillationszähler scintillation counter. Institut für physik 10 szintillationszähler zählstatistik name:

Szintillationszähler — als szintillationszähler bezeichnet man ein auf der szintillation basierendes messgerät zur bestimmung der energie und der intensität von ionisierender strahlung szin. Als szintillationszähler bezeichnet man ein auf der szintillation basierendes messgerät zur bestimmung der energie und der intensität von ionisierender strahlung.

Posting Komentar

0 Komentar

Ad Code